Pro-face普羅菲司-15型_彩色人機介面觸控螢幕_顯示器×主機模組

- 15吋彩色人機介面觸控螢幕!
- 顯示器×主機模組_提供功能上尺寸上的彈性!
- 支援各種廠牌的PLC及控制器!
- 配方與多國語言功能!
產品規格
| 項目 | PFXSP5700TP (HMI) | PFXSP5B10 (POWER) | ||||||
|---|---|---|---|---|---|---|---|---|
| 螢幕 | TFT 65,536色 | |||||||
| 色彩 | 1600萬畫素 | |||||||
| 背光燈 | LED 背光燈 | |||||||
| 解析度 | 1024× 768 畫面 (SVGA) | |||||||
| 顯示範圍(mm) | W304.1 [11.97 in.] × H228.1 [8.98 in.] | |||||||
| 亮度調整 | 0 to 100 | |||||||
| 對比調整 | ||||||||
| 語言字型 |
|
|||||||
| 觸控螢幕解析度 | 1,024 x 1,024 | |||||||
| 介面設備 | USB(A型) | 符合 USB 2.0 (Type A) x 1 電源電壓:5 Vdc ±5 % 輸出電流:500 mA 通訊距離:5 m [16.4 ft.] 將顯示模組與電源盒搭配使用時,每種類型的 USB 裝置只能連接一個, 例如一個 U 碟、一條傳輸線或一個條碼讀取器。 如果連接多個相同類型的設備,則只有第一個設備可以工作。 |
||||||
| USB(迷你B型) | 符合 USB 2.0 (mini-B) x 1,通訊距離:5 公尺 [16.4 英尺] | |||||||
- 字型大小會依選擇的語言與放大比例而有所不同。
- 鋰電池壽命:SP 週遭溫度為 25℃以下時,可使用 10 年。
一般規格
| 項目 | PFXSP5700TP (HMI) | PFXSP5B10 (POWER) |
|---|---|---|
| 輸入電壓 | DC12V ~ 24V | |
| 電壓範圍 | DC10.8V to 28.8V | |
| 消耗功率 | 22W 以下 | |
| 允許壓降 | 10 ms or less | |
| 絕緣測試 | DC500V 10MΩ 以上(電線至接地線) | |
| 使用環境溫度 (櫥櫃內部)(面板表面) |
0℃ ~ +50℃ | |
| 儲存環境溫度 | -20℃ ~ +60℃ | |
| 操作溼度 | 10%RH ~ 90%RH (非結露環境:39℃以下) | |
| 儲藏溼度 | 10%RH ~ 90%RH (非結露環境:39℃以下) | |
| 耐震動 | 符合IEC61131-2 不連續振動:10Hz ~ 57Hz 0.075mm , 57Hz ~ 150Hz 9.8M/S2 連續振動 :10Hz~57Hz 0.035mm , 57Hz~150Hz 4.9M/S2 X,Y,Z方向10次(80分鐘) |
|
| 耐雜訊 (經由雜訊模擬器偵測) |
雜訊電壓:1000VP-P 雜訊頻寬:1 μs 上昇時間:1ns |
|
| 抗靜電性 | 6kV (依EN 61000-4-2 第 3 級) | |
| 耐環境性 | 非腐蝕性氣體的環境 | |
| 產品認證 | EN550011 Class, EN61000-6-2, UL508, UL1604, CAN/CSA C22.2 | |
| 污染程度 | 2級污染 | |
| 產品評等 | 符合IP65 (JEM 1030), NEMA#250 Type 4× /12 | |
| 外部尺寸 | W188mm [7.4in] × H131mm [5.16in] × D45mm [1.38in] | |
| 重量 | 4.5kg(1.1 lb)以下 | |
| 冷卻系統 | 空氣自然循環方式 | |
- SP5000 符合 IP65F / IP66F / IP67F 等多種防護等級,並可承受高壓清洗,適用於需要高度衛生的環境。
- 環境保護蓋能減少化學和油霧造成的腐蝕,進而降低維護成本。
- SP5000 配備了一個多點觸控面板,您可以在將任務交給現場其他人時留下手寫備忘錄以共享訊息。
- SP5000 的無線 LAN 版本讓你輕鬆查看設備狀態。
- 高效能顯示器(Premium) 前端的USB插孔,方便數據傳輸和維護。
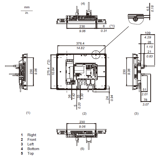
尺寸圖



Two-Way双象貿易股份有限公司




